res017
res017
  • 首页
  • 新闻资讯
    • 新闻动态
      • BIM新闻动态
      • 装配式新闻动态
    • 系列活动
    • 中心动态
      • BIM考试
      • BIM培训
      • 装配式考试
      • 装配式培训
    • 通知公告
    • 政策文件
      • BIM政策文件
      • 装配式政策文件
      • 政策文件下载
  • 在线学习
    • 在线课程
    • 应急救援员在线课程
  • 管理制度
    • BIM 考核站点遴选办法
    • 装配式考核站点遴选办法
    • 职业技能等级标准
    • 证书信息
  • 考核站点
    • 考核站点信息
    • 考核站点申报文件下载
    • 考核站点申报
  • 培训
    • 培训班录播回放
    • 线上说明会录播回放
    • 师资培训
    • 其他培训
  • 教学资源
    • 教材展示及订购信息
    • 教学资源库
    • 资料下载
  • 考评查询
    • 考评查询
    • 成绩/证书查询
    • 考评员证书查询
  • 关于我们
    • 中心概况
      • 关于我们
      • 中心章程
      • 组织机构
    • 业务范围
      • 装配式
      • BIM
    • 联系我们
    • 各省联系方式
    • 招聘信息
    • 建筑信息模型(BIM)职业技能等级证书简介
    • 装配式建筑构件制作与安装职业技能等级证书

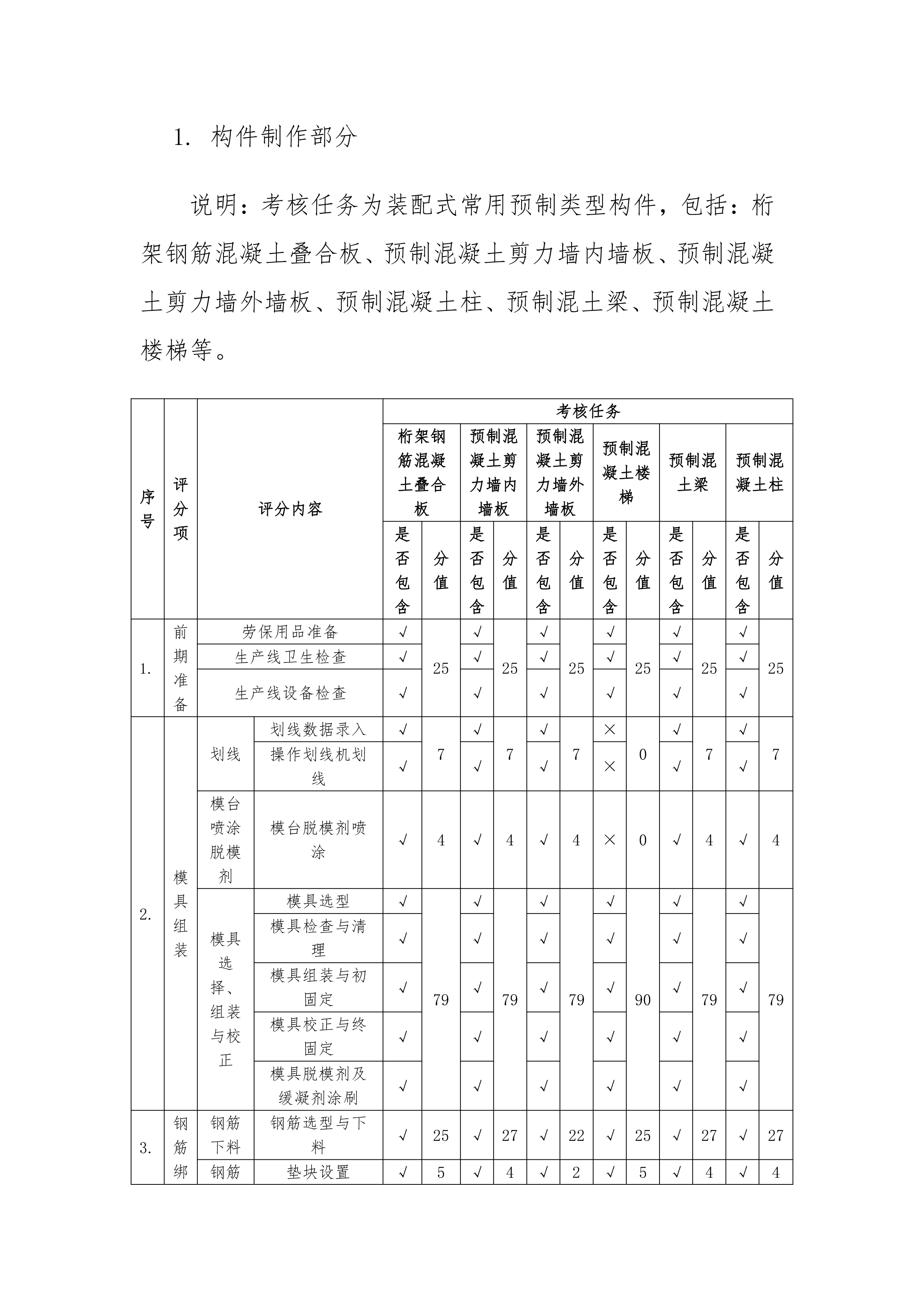
关于发布“1+X”装配式建筑构件制作与安装职业技能等级证书科目一 “岗位模拟”考核评分标准的通知

2021-10-25 廊坊中科

廊坊中科[2021]070号-关于发布“1+X”装配式建筑构件制作与安装职业技能等级证书科目一“岗位模拟”考核评分标准的通知.pdf


    上一篇:2021年第三期“1+X”装配式建筑构件制作与安装职业技能等 下一篇:关于发布装配式建筑构件制作与安装职业技能等级证书考核费用标准

为您推荐

  • 2021年第二期“1+X”装配式建筑构件制作与安装职业技能等
  • 关于开展2024年装配式建筑构件制作与安装职业技能等级证书考
  • 2020年第二期装配式建筑构件制作与安装职业技能等级证书考评
  • 关于1+X装配式建筑构件制作与安装职业技能等级证书科目二考评
  • 所有文章

快速链接

  • 新闻资讯
  • 在线学习
  • 管理制度
  • 考核站点
  • 培训
  • 教学资源
  • 考评查询
  • 关于我们

联系方式

  • 地 址: 河北省廊坊市开发区远景.荟景新苑11号楼323
  • 电 话: 0316-5915508
  • 邮 箱: zhongke6688@126.com
添加微信
扫一扫二维码关注我们
Copyright © 2018-2019 廊坊市中科建筑产业化创新研究中心 版权所有 冀ICP备18038020号 冀公网安备 13109802000429号