res017
res017
  • 首页
  • 新闻资讯
    • 新闻动态
      • BIM新闻动态
      • 装配式新闻动态
    • 系列活动
    • 中心动态
      • BIM考试
      • BIM培训
      • 装配式考试
      • 装配式培训
    • 通知公告
    • 政策文件
      • BIM政策文件
      • 装配式政策文件
      • 政策文件下载
  • 在线学习
    • 在线课程
    • 应急救援员在线课程
  • 管理制度
    • BIM 考核站点遴选办法
    • 装配式考核站点遴选办法
    • 职业技能等级标准
    • 证书信息
  • 考核站点
    • 考核站点信息
    • 考核站点申报文件下载
    • 考核站点申报
  • 培训
    • 培训班录播回放
    • 线上说明会录播回放
    • 师资培训
    • 其他培训
  • 教学资源
    • 教材展示及订购信息
    • 教学资源库
    • 资料下载
  • 考评查询
    • 考评查询
    • 成绩/证书查询
    • 考评员证书查询
  • 关于我们
    • 中心概况
      • 关于我们
      • 中心章程
      • 组织机构
    • 业务范围
      • 装配式
      • BIM
    • 联系我们
    • 各省联系方式
    • 招聘信息
    • 建筑信息模型(BIM)职业技能等级证书简介
    • 装配式建筑构件制作与安装职业技能等级证书

关于举办2021年第三期1+X建筑信息模型(BIM)职业技能等级证书中级市政路桥方向师资培训班的通知

2021-03-24 廊坊中科

关于举办2021年第三期1+X建筑信息模型(BIM)职业技能等级证书中级市政路桥方向师资培训班的通知(图1)

关于举办2021年第三期1+X建筑信息模型(BIM)职业技能等级证书中级市政路桥方向师资培训班的通知(图2)

关于举办2021年第三期1+X建筑信息模型(BIM)职业技能等级证书中级市政路桥方向师资培训班的通知(图3)

关于举办2021年第三期1+X建筑信息模型(BIM)职业技能等级证书中级市政路桥方向师资培训班的通知(图4)

关于举办2021年第三期1+X建筑信息模型(BIM)职业技能等级证书中级市政路桥方向师资培训班的通知(图5)

关于举办2021年第三期1+X建筑信息模型(BIM)职业技能等级证书中级市政路桥方向师资培训班的通知(图6)

关于举办2021年第三期1+X建筑信息模型(BIM)职业技能等级证书中级市政路桥方向师资培训班的通知(图7)

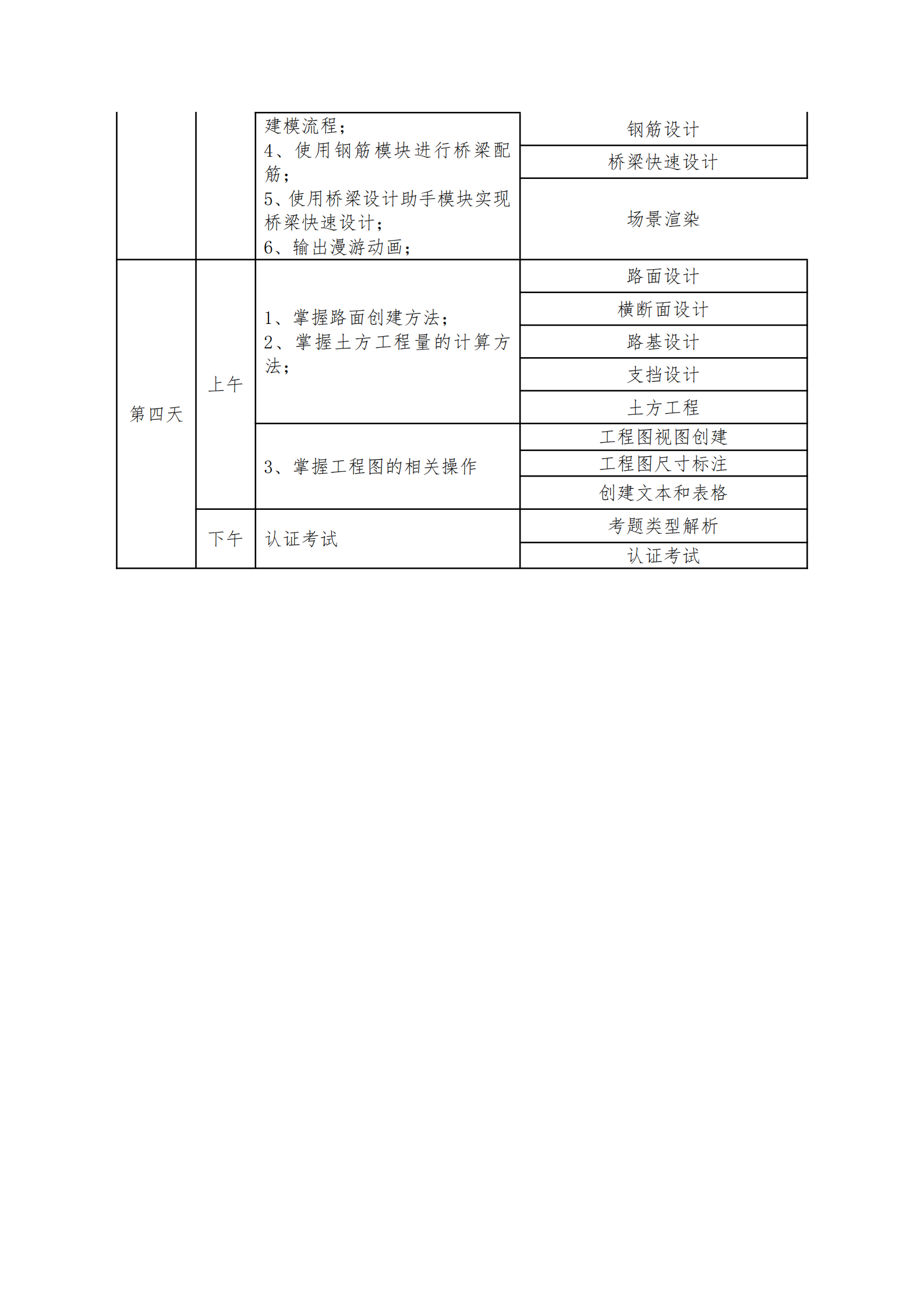
关于举办2021年第三期1+X建筑信息模型(BIM)职业技能等级证书中级市政路桥方向师资培训班的通知(图8)廊坊中科[2021]012号-关于举办2021年第三期1+X建筑信息模型(BIM)职业技能等级证书中级市政路桥方向师资培训班的通知.pdf

    上一篇:关于召开2021年第一期1+X建筑信息模型(BIM)职业技能 下一篇:关于2021年第二期1+X 建筑信息模型 (BIM)职业技能

为您推荐

  • 关于举办2023年第一期 1+X 建筑信息模型(BIM)职业
  • 关于开展2023年第三期“1+X”建筑信息模型(BIM)高级
  • 【BIM培训】广东省2021年度第一期1+X建筑信息模型(B
  • 【BIM培训】关于举办2021年暑期1+X建筑信息模型 (B
  • 所有文章

快速链接

  • 新闻资讯
  • 在线学习
  • 管理制度
  • 考核站点
  • 培训
  • 教学资源
  • 考评查询
  • 关于我们

联系方式

  • 地 址: 河北省廊坊市开发区远景.荟景新苑11号楼323
  • 电 话: 0316-5915508
  • 邮 箱: zhongke6688@126.com
添加微信
扫一扫二维码关注我们
Copyright © 2018-2019 廊坊市中科建筑产业化创新研究中心 版权所有 冀ICP备18038020号 冀公网安备 13109802000429号